中文
/
English
中文
/
English
中文
/
English
關於我們
產品介紹
產品應用
品質管理
最新消息
聯絡我們
回到首頁
Menu List
產品應用
產品應用
監控設備
名稱
檔案下載
名稱
檔案下載
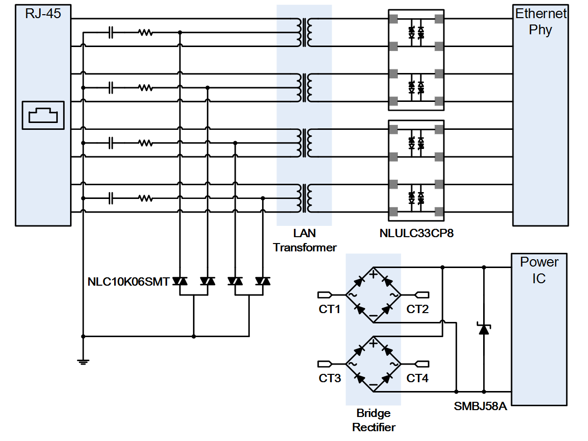
Power Over Ethernet
檔案下載